当前位置:首页 > 政务公开

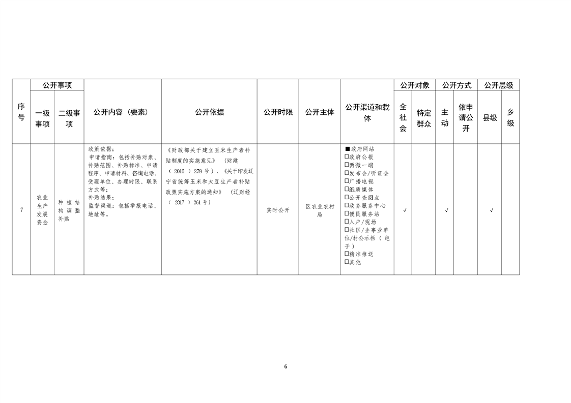
涉农补贴领域

发布时间:2024-09-24

【字号:

分享:









  • 附件:
  • 视频:
扫一扫在手机打开当前页